新闻资讯
工业和信息化部办公厅关于开展2025年度绿色工厂推荐工作的通知
时间:2025-10-09 来源:中华人民共和国工业和信息化部各省、自治区、直辖市及计划单列市、新疆生产建设兵团工业和信息化主管部门:
为贯彻落实《制造业绿色低碳发展行动方案(2025—2027年)》,实施绿色制造标杆升级行动,根据《绿色工厂梯度培育及管理暂行办法》(以下简称《办法》),现组织开展2025年度绿色工厂推荐工作。有关事项通知如下:
一、总体要求
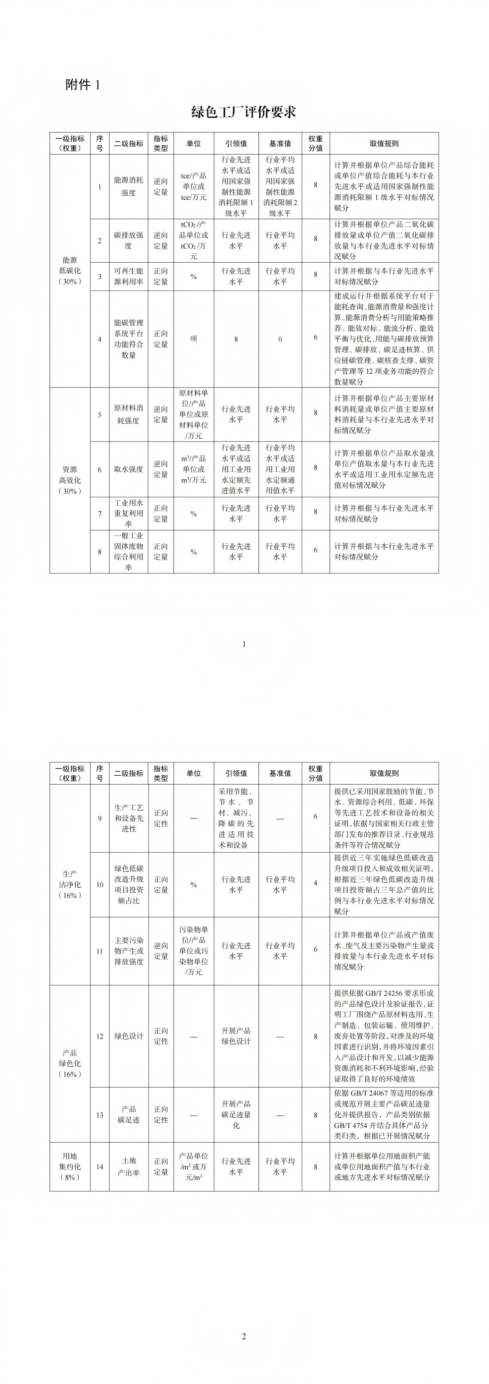
本年度推荐工作包括绿色工厂、绿色工业园区,满足《办法》有关要求的企业或园区按照自愿的原则,对照新的评价要求(相关指标要求见附件1、2)进行自评价。省级工业和信息化主管部门按照“优中选优、宁缺毋滥”的原则进行遴选,推荐的企业或园区原则上不低于本地区已有国家绿色工厂、绿色工业园区的平均水平。
二、具体要求
(一)新申报国家绿色工厂和绿色工业园区
省级工业和信息化主管部门组织企业、园区登录工业节能与绿色发展管理平台(https://green.miit.gov.cn,以下简称管理平台),如实自主填报申报表完成自评价,并按要求提供有关佐证材料,管理平台提供申报政策解读和填报说明视频,不再需要提交第三方评价报告。
为进一步突出节能降碳导向,巩固提升产业绿色竞争力,本年度绿色工厂重点支持53个重点行业的企业(具体行业范围见附件3)。属于重点行业的企业登录管理平台按照相应行业要求进行自评价,不属于重点行业的企业登录管理平台依据通则进行自评价。
(二)现有国家绿色工厂和绿色工业园区
为进一步提升现有国家绿色工厂、绿色工业园区绿色化发展水平,省级工业和信息化主管部门组织现有国家绿色工厂、绿色工业园区登录管理平台,对照新的评价要求开展自评价对标,并按要求提供有关佐证材料。现有国家绿色工厂、绿色工业园区得分连续三年处于后5%的,将从现有名单中移出,实现有进有出。
三、工作要求
省级工业和信息化主管部门要加大对企业或园区的各项评价指标数据和佐证材料真实性、准确性、先进性的审核力度,确保推荐质量,于2025年11月7日前将推荐名单和开展对标情况一并通过管理平台报送工业和信息化部(节能与综合利用司)。
我部将组织专家对推荐名单进行审核,优中选优,确定拟入围名单,向社会公示,按程序发布2025年度绿色工厂、绿色工业园区名单。如发现企业、园区存在数据或材料造假,我部将根据《办法》将企业、园区从名单中移出,并禁止三年内再次申报。
附件:1.绿色工厂评价要求
2.绿色工业园区评价要求
3.重点行业清单
工业和信息化部办公厅
2025年9月28日
- 上一篇: 工业和信息化部 国家发展改革委关于印
- 下一篇: 关于印发2026年自治区工业园区发展
- 返回列表


